Marine Aluminium Anode untuk Tangki Air Ballast
Merek :XIFAN MARINE
produk asal :Cina
waktu pengiriman :15 hari
kapasitas pasokan :10000pcs/Bulan
Anoda korban paduan aluminium digunakan untuk perlindungan katodik anti-korosi logam pada kapal, peralatan mekanis, teknik lepas pantai dan fasilitas pelabuhan di air laut serta perlindungan pipa...
Marine Aluminium Anode untuk Tangki Air Ballast
Anoda korban paduan aluminium digunakan untuk perlindungan katodik anti-korosi logam pada kapal, peralatan mekanis, teknik lepas pantai dan fasilitas pelabuhan di air laut serta perlindungan pipa, kabel, dan fasilitas lainnya di lumpur.
Aluminium seng indium sistem (AZI) anoda korban dicor oleh aluminium kemurnian tinggi, seng, indium dan paduan logam lainnya. Anoda paduan aluminium diproduksi sejalan dengan implementasi GB4948-2002 Aluminium Zinc Indium Alloy Sacrificial Anode
Kinerja anoda aluminium dipengaruhi oleh komposisi kimia paduan, jadi kami menawarkan komposisi paduan aluminium yang berbeda untuk memenuhi kebutuhan pelanggan kami.
Komposisi kimia
Tipe Paduan | Zn | Di dalam | CD | Sn | Mg | Dan | Dari | Pengotor, ≤ | Al | ||
Dan | Fe | Dengan | |||||||||
Al-Zn-In-Sd | 2.5-4.5 | 0,018-0,050 | 0,005-0,020 | - | - | - | - | 0,10 | 0,15 | 0,01 | batas |
Al-Zn-In-Sn | 2.2-5.2 | 0,020-0,045 | - | 0,018-0,035 | - | - | - | 0,10 | 0,15 | 0,01 | batas |
Al-Zn-In-Si | 5.7-7.0 | 0,025-0,035 | - | - | - | 0,10-0,15 | - | 0,10 | 0,0-15 | 0,01 | batas |
Al-Zn-In-Sn-Mg | 2.5-4.0 | 0,020-0,050 | - | 0,025-0,075 | 0,50-1,00 | - | - | 0,10 | 0,15 | 0,01 | batas |
Al-Zn-In-Mg-Ti | 4.0-7.0 | 0,020-0,050 | - | - | 0,50-1,50 | - | 0,01-0,08 | 0,10 | 0,15 | 0,01 | batas |
Properti Elektrokimia
Jenis/Indeks/Kinerja | Potensi Sirkuit Terbuka-V(SCE) | Potensi Kerja-V(SCE) | Kapasitansi Aktual (Ah/kg) | Efisiensi Saat Ini% | Status Pembubaran |
Anoda Pengorbanan Paduan Aluminium Biasa | 1.10-1.18 | 1.05-1.12 | ≥2400 | ≥85 | Produk korosi mudah rontok, pembubaran permukaannya merata |
Anoda Pengorbanan Paduan Aluminium Efisiensi Tinggi | 1.10-1.18 | 1.05-1.15-2 | ≥2600 | ≥90 | |
Anoda Pengorbanan Paduan Aluminium Sangat Aktif | 1,45-1,50 | 1.40-1.45 | ≥2080 | ≥70 |
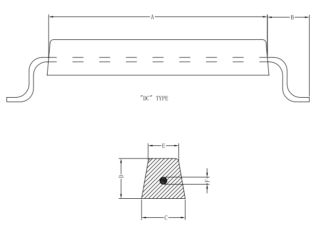
Spesifikasi dari Anoda Aluminium untuk Ballast Water Tank
Jenis | Spesifikasi mm | Berat kg |
A×(B1+B2)×C | ||
DI-1 | 500×(115+135)×130 | 23.0 |
DI-2 | 1500×(65+75)×70 | 21.5 |
DI 3 | 'font-family:Arial;font-size:12px;'>110+130)×120 | 20.0 |
JAM 4 | 1000×(58.5+78.5)×68 | 13.213.2 |
DI-5 | 800×(56+74)×65 | 10.0 |
DI-9 | 1150×(48+54)×51 | 9.0 |
PUKUL 7 | 250×(80+100)×85 | 5.0 |
DI-8 | 200×(70+90)×70 | 3.0 |

b.FS jenis Anoda Aluminium

anoda tipe c.SC untuk tangki air ballast

anoda laut tipe DC untuk tangki air ballast

Xifan marine menawarkan berbagai ukuran & bentuk Anoda Aluminium untuk opsi, layanan OEM juga diterima, cukup kirimkan gambar dan logo Anda. Jika Anda
tertarik, jangan ragu untuk menghubungi tim penjualan kami untuk diskusi lebih lanjut.






